


常見的原理圖:
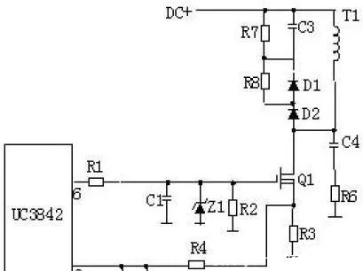
R4、C3、R5、R6、C4、D1、D2組成緩沖器,和開關電源MOS管并接,使開關電源管電壓應力削減,EMI削減,不發生二次擊穿。在開關電源電源管Q1關斷時,變壓器的原邊線圈易發生尖峰電壓和尖峰電流,這些元件組合一同,能很好地吸收尖峰電壓和電流。從R3測得的電流峰值信號參加當前工作周波的占空比操控,因此是當前工作周波的電流約束。當R5上的電壓到達1V時,UC3842停止工作,開關電源電源管Q1當即關斷 。 R1和Q1中的結電容CGS、CGD一同組成RC網絡,電容的充放電直接影響著開關電源管的開關電源電源速度。R1過小,易引起振動,電磁干擾也會很大;R1過大,會降低開關電源管的開關電源速度。Z1通常將MOS管的GS電壓約束在18V以下,然后保護了MOS管。
Q1的柵極受控電壓為鋸形波,當其占空比越大時,Q1導通時間越長,變壓器所貯存的能量也就越多;當Q1截止時,變壓器通過D1、D2、R5、R4、C3開釋能量,同時也到達了磁場復位的目的,為變壓器的下一次存儲、傳遞能量做好了預備。IC依據輸出電壓和電流時間調整著⑥腳鋸形波占空比的大小,然后安穩了整機的輸出電流和電壓。 C4和R6為尖峰電壓吸收回路。
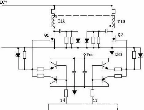
2、 推挽式功率改換電路: Q1和Q2將輪番導通。


2、反激式整流電路:
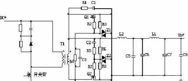
3、反激式整流電路:
下一篇:開關電源閉環設計


